H41W升降式法蘭止回閥
產品名稱:H41W升降式法蘭止回閥
產品詳情

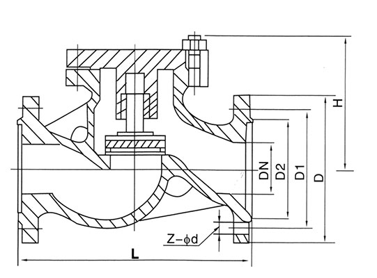
主要外形尺寸和連接尺寸The main dimensions and connection dimensions
國標(GB)1.6MPa 單位:mm
型號 TYPE | 公稱通徑 DN(mm) | 尺寸(mm)Dimensions | |||||
L | D | D1 | D2 | Z-Φd | H | ||
H41W-16P(R) | 40 | 200 | 145 | 110 | 85 | 4-18 | 95 |
50 | 230 | 160 | 125 | 100 | 4-18 | 105 | |
65 | 290 | 180 | 145 | 120 | 4-18 | 120 | |
80 | 310 | 195 | 160 | 135 | 8-18 | 130 | |
100 | 350 | 215 | 180 | 155 | 8-18 | 140 | |
125 | 400 | 245 | 210 | 185 | 8-18 | 155 | |
150 | 480 | 280 | 240 | 210 | 8-23 | 180 | |
200 | 600 | 335 | 295 | 265 | 12-23 | 215 | |
250 | 730 | 405 | 355 | 320 | 12-25 | 160 | |
300 | 850 | 460 | 410 | 375 | 12-25 | 315 | |
國標(GB)2.5MPa 單位:mm
型號 TYPE | 公稱通徑 DN(mm) | 尺寸(mm)Dimensions | |||||
L | D | D1 | D2 | Z-Φd | H | ||
H41W-16P(R) | 40 | 200 | 145 | 110 | 85 | 4-18 | 135 |
50 | 230 | 160 | 125 | 100 | 4-18 | 149 | |
65 | 290 | 180 | 145 | 120 | 8-18 | 160 | |
80 | 310 | 195 | 160 | 135 | 8-18 | 169 | |
100 | 350 | 230 | 190 | 160 | 8-23 | 194 | |
125 | 400 | 270 | 220 | 188 | 8-25 | 222 | |
150 | 480 | 300 | 250 | 218 | 8-25 | 255 | |
200 | 600 | 360 | 310 | 278 | 12-25 | 305 | |
250 | 730 | 425 | 370 | 332 | 12-30 | 355 | |
300 | 850 | 485 | 430 | 390 | 16-30 | 410 | |